聚融E讯
聚融讲堂
下载APP
扫码下载官方APP
-更好体验在线学习、练习、考试-
登录
首页
票证知识库
常见货币
36种货币知识
证件知识
护照知识
票据知识
旅行支票知识
聚融讲堂
热点视频
新钞发行
假钞风险
认证课程
法规学苑
聚融e讯
金融时事
法律法规
案例简报
银行资讯
公司动态
考试中心
特色服务
审验鉴定
高端服务
您当前所在位置:
首页
聚融e讯
法律法规
支付清算
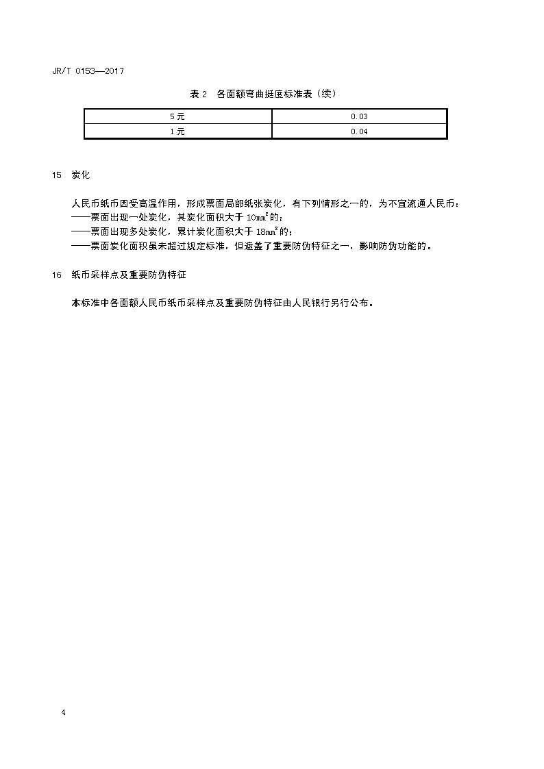
《中国人民银行关于发布〈不宜流通人民币纸币〉行业标准的通知》
《中国人民银行关于发布〈不宜流通人民币纸币〉行业标准的通知》
发表于:2018-07-17
阅读数:10246
银发〔2017〕128号《中国人民银行关于发布〈不宜流通人民币纸币〉行业标准的通知》.pdf
阅读更多
本文来源:未知
作者:
上一篇:
《中国银行保险监督管理委员会办公厅关于规范银行业金融机构跨省票据业务的通知》银保监办发【2018】21号)
下一篇:
《美元残损币兑换标准》
发表评论
总共有
(
个评论)
热门-支付清算
美元纸币的主要防伪特征
172460次阅读数
2022-05-16
欧元的主要防伪特征
170757次阅读数
2022-05-23
新钞发行:“欧罗巴”系列——200欧元及防伪特征详解
160755次阅读数
2018-09-21
新钞发行:“欧罗巴”系列——100欧元及防伪特征详解
132066次阅读数
2018-09-19
《中国人民银行办公厅关于银行业金融机构对外误付假币专项治理工作的指导意见银办发》[2013]14号
116602次阅读数
2018-08-15
您还没有登录哦
账户登录
账号/手机
密码
登录